Features:Pressure compensation pump, high working pressure, small-displacement.
Application:Mainly used in hydraulic power unit(minitype),hydraulic tools ,medical appliances ,machine tools ,machine.
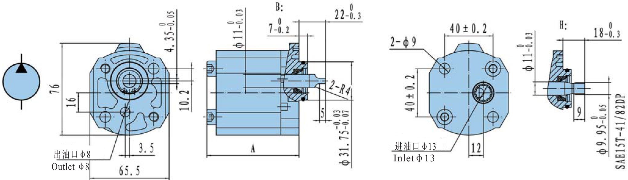
Outline dimensions

Specification
| No. | Type | Displacement(ml/r) | Pressure (MPa) | Rotating Speed (r/min) | Oil Viscosity v50 (Cst) | Oil Pollution (Tag) | Volumetic Efficiency (%) | A (mm) | |
|---|---|---|---|---|---|---|---|---|---|
| Rated | Max | ||||||||
| 1 | CBQE-G1.5B | 1.50 | 21 | 28 | 500~4000 | 7~70 | 14/11~19/16 | 90 | 71 |
| 2 | CBQE-G1.7B | 1.70 | 21 | 28 | 500~4000 | 7~70 | 14/11~19/16 | 90 | 72 |
| 3 | CBQE-G2B | 2.00 | 21 | 28 | 500~4000 | 7~70 | 14/11~19/16 | 92 | 73.5 |
| 4 | CBQE-G2.5B | 2.50 | 21 | 28 | 500~4000 | 7~70 | 14/11~19/16 | 92 | 76.2 |
| 5 | CBQE-G3B | 3.00 | 21 | 28 | 500~4000 | 7~70 | 14/11~19/16 | 92 | 78.8 |
| 6 | CBQE-G3.2B | 3.20 | 21 | 28 | 500~4000 | 7~70 | 14/11~19/16 | 92 | 80 |
| 7 | CBQE-G3.5B | 3.50 | 21 | 28 | 500~4000 | 7~70 | 14/11~19/16 | 92 | 81.5 |
| 8 | CBQE-G4B | 4.00 | 21 | 28 | 500~4000 | 7~70 | 14/11~19/16 | 92 | 84 |
| 9 | CBQE-G4.2B | 4.20 | 21 | 28 | 500~4000 | 7~70 | 14/11~19/16 | 92 | 85.2 |
| 10 | CBQE-G4.8B | 4.80 | 16 | 21 | 500~3000 | 7~70 | 14/11~19/16 | 92 | 88.5 |
| 11 | CBQE-G5.8B | 5.80 | 16 | 21 | 500~3000 | 7~70 | 14/11~19/16 | 92 | 93.5 |
| 12 | CBQE-G6.8B | 6.80 | 16 | 21 | 500~3000 | 7~70 | 14/11~19/16 | 92 | 99 |




